Ota yhteyttä!

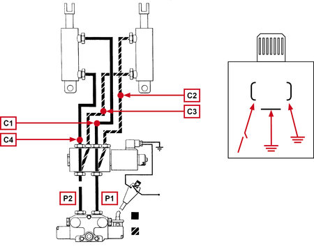
HYDRAULIIKKA 6/2 LISÄLOHKO SRJ 1/2"

FM2502

- valmis tuplaajaventtiilipaketti, joka on rakennettu huippulaatuisista komponenteista: Bosch Rexroth -venttiili, Faster-pikaliittimet sekä laadukkaat Euroopassa valmistetut letkut
- voidaan asentaa pysyvästi tai tilapäisesti traktoriin tai vaikka kytkettävään työkoneeseen
- tuplaamalla hydrauliikan lähdöt saadaan helposti ja edullisesti enemmän tehoa irti koneen hydrauliikasta
- käyttökohteina ovat esimerkiksi traktorin työhydrauliikan lisääminen, etukuormaimen lisähydrauliikan lisääminen ja muut hydrauliikkasovellukset

Toiminta:
- normaalitilassa alkuperäinen hydrauliikka kulkee venttiilin lävitse toiseen porttiin ja kun tuplaajaventtiiliä ohjataan sähköisesti päälle, se vaihtaa ohjauksen toiseen porttiin
- ohjaukseen voidaan käyttää laitteen omia katkaisijoita tai asentaa erillinen katkaisija
- voidaan laajentaa lisäämällä rinnalle useampi tuplaajaventtiili, jolloin lähtöjä saadaan haluttu määrä

Tekniset tiedot:
- 12 V järjestelmään
- max. käyttöpaine: 275 bar
- max. virtaus: 60 l/min

Toimitus sisältää:
- 6/2 tuplaajaventtiili (FM2511)
- pikaliitin pistoke 1/2" (NV12GASM)
- pikaliitin runko 1/2" (NV12GASF)
- letkut 2 x 700 mm
- kulma- ja suorat liittimet sekä tarvittavat tiivisteet
379,00 €
Alin hinta viimeisen 30 päivän aikana: 379,00 €
Varastossa 0 kpl
Myymälä Varastossa
Tornio 0
Kemi 0
Rovaniemi 0
Kuusamo 0

Tarvitsetko apua sopivan tuotteen löytämiseen?

Yhteys Henkilö
Titteli / Toimipaikka
040 123123123 sahkoposti@ojanpera.net
Ojanperä
Takaisin yläosaan
Sivustomme käyttää evästeitä käyttäjäkokemuksen parantamiseen. Voit halutessasi muuttaa valintojasi asetuksista
1 Ostoskorin tuotemäärä
Ostoskori
Yhteensä:
0,00€